Electrical Diagrams

What’s New?

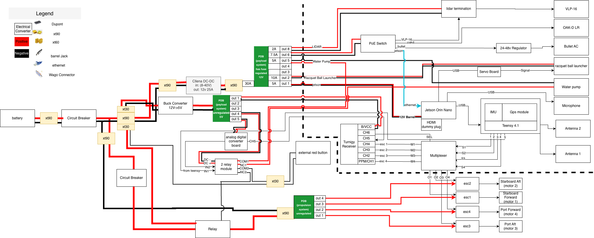
We updated portions of the electrical diagram to reflect recent hardware changes. The system now uses a Teensy 4.1 as the primary microcontroller and incorporates three power distribution boards: two unregulated boards and one regulated board with integrated fuse protection. Additionally, the single-channel relay modules were replaced with two-channel relay modules to improve control flexibility. The onboard computing platform has also been upgraded to the Jetson Orin Nano.

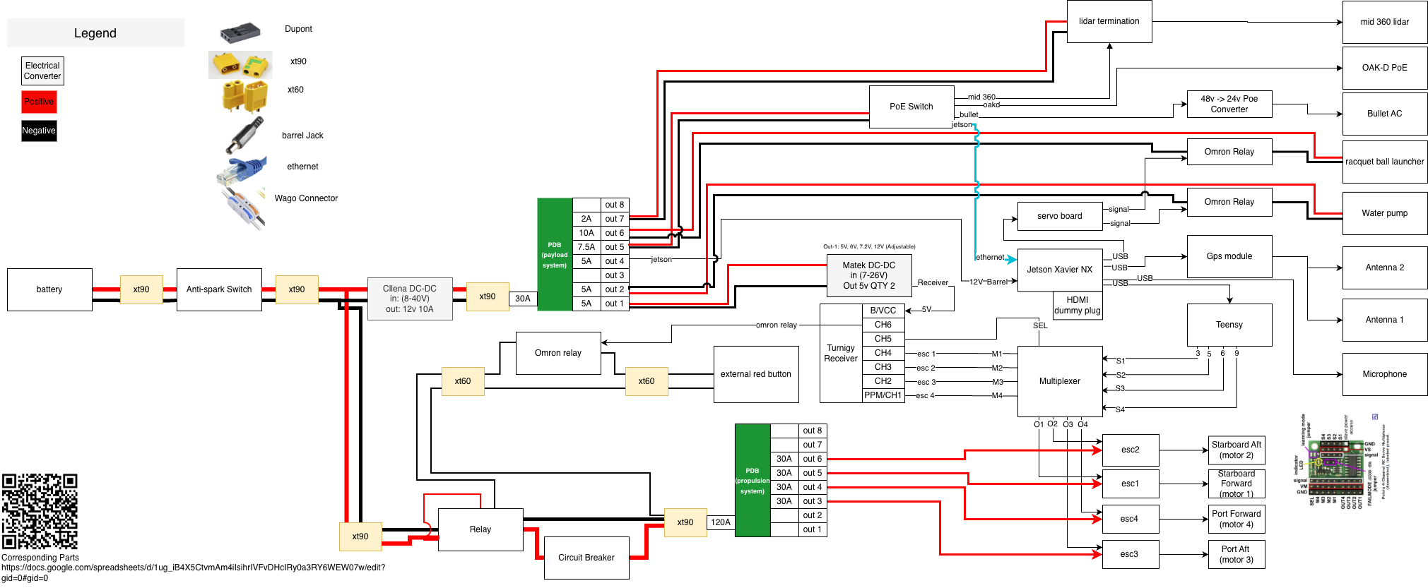
Crusader Electrical Diagram

Barco Polo Electrical Diagram